


USB插座USB-C-04產品簡介
type c母座具備以下特點:
1、Type-C接口插座端的尺寸約為8.3mm×2.5mm纖薄設計;
2、最大數據傳輸速度達到10Gbit/秒,也是USB 3.1的標準;
3、支持從正反兩面均可插入的“正反插”功能,可承受1萬次反復插拔;
4、配備Type-C連接器的標準規格連接線可通過3A電流,同時還支持超出現有USB供電能力的“USB PD”,可以提供最大100W 的電力。
USB插座USB-C-04技術參數
使用溫度范圍:-55~85℃
耐壓:100V AC
插拔力:5~20N
接觸電阻:≤0.04Ω
絕緣電阻:≥100MΩ
壽命:10000次
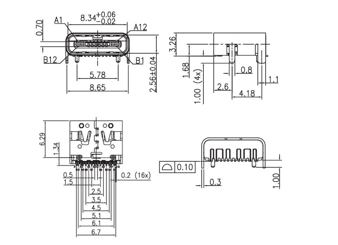
USB插座USB-C-04參考圖紙


Copyright © 廣東精密龍電子科技有限公司 版權所有 粵ICP備17035144號 粵公網安備44130202001184號
全國服務電話:0755-83205533 傳真:0755-83761155
公司地址:深圳市龍崗區龍崗大道8288號深圳大運軟件小鎮45棟2樓

